021-51699285
首页
关于我们
公司简介
关于品牌
荣誉资质
产品中心
电磁阀系列
老阀系列
二通阀系列
机械阀系列
脉冲系列阀
气源处理件系列
气缸系列
新闻中心
公司新闻
行业动态
联系我们
产品展示
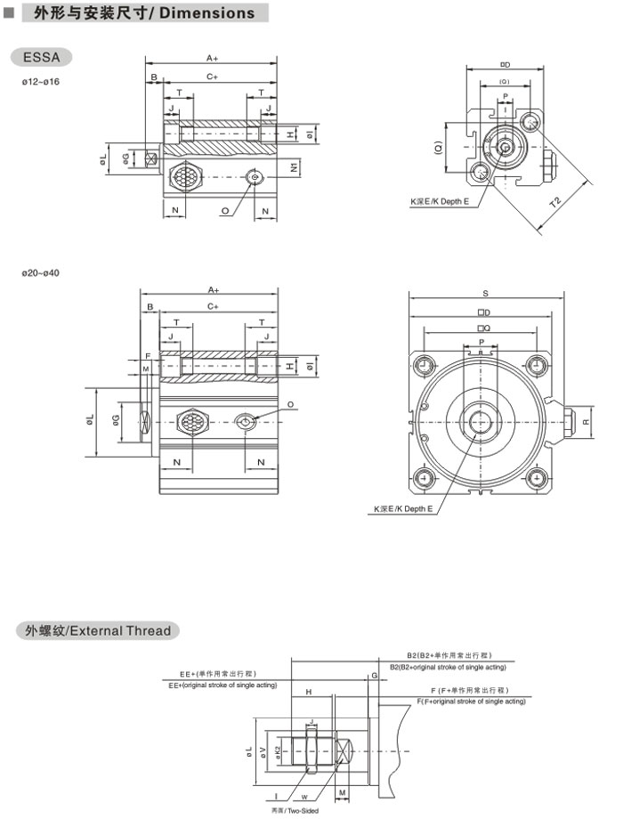
预缩型ESSA薄型气缸,EASUN亿日气动气缸
首页
/
产品中心
/
气缸
气源处理器
方向控制阀
气缸
接头
电磁线圈
真空元件
产品标题:预缩型ESSA薄型气缸,EASUN亿日气动气缸
产品ID:
VIB20121012070919734
品 牌:
EASUN亿日
所在地:中国 上海
价 格:面议 (大量采购价格面议)
库存状态:
货期待查
更新日期:2025-10-25 22:35:48
咨询电话:(+86)021-51699285
咨询Q Q:
2695337323
产品简述
预缩型ESSA薄型气缸,EASUN亿日气动不锈钢气缸管,不锈钢气缸,气动气缸,气动导向气缸,不锈钢气动角座阀迷你气缸,tpm迷你气缸
产品详情
产品型号
电磁阀 MN2H-5/3B-02-S-12DCA
S7-SM 332 2AA D:6ES7 332-5HB01-0AB0
电磁阀 MN2H-2X3G-01
电磁阀 MN2H-2X3O-01
电磁阀 MN2H-2X3O-G-01
电磁阀 MN2H-2X3G-01-S
电磁阀 MN2H-2X3O-01-S
电磁阀 MN2H-2X3O-G-01-S
电磁阀 MN2H-2X3G-02
电磁阀 MN2H-2X3O-02
电磁阀 MN2H-2X3O-G-02
电磁阀 MN2H-2X3G-02-S
电磁阀 MN2H-2X3O-02-S
电磁阀 MN2H-2X3O-G-02-S
前一页
ESDA薄型气缸,EASUN亿日气动气缸
后一页
ESDA薄型气缸,EASUN亿日气动气缸
产品中心
更多产品
MORE+
预缩型ESSA薄型气缸,EASUN亿日气动气缸
ECQ2系列薄型气缸,EASUN亿日气动气缸
双伸杆型ECQ2WB薄型气缸,EASUN亿日气动气缸
ECXS系列平行双杆气缸,EASUN亿日气动气缸
ESDA薄型气缸,EASUN亿日气动气缸
双伸杆型ESDAD薄型气缸,EASUN亿日气动气缸
伸出可调型SDAJ薄型气缸,EASUN亿日气动气缸
预伸型ESTA薄型气缸,EASUN亿日气动气缸
吸盘转接支架 ESH-HD-5-G
吸盘转接支架 ESH-HD-6-G
吸盘转接支架 ESH-HDL-1-QS
吸盘转接支架 ESH-HDL-1-PK
电话:
021-51699285
传真:
021-51698592
手机:
13611905823
地址:上海市宝山区恒高路127弄6号楼2202室
首 页
关于我们
公司简介
品牌介绍
企业荣誉
产品中心
电磁阀系列
老阀系列
二通阀系列
机械阀系列
脉冲系列阀
气源处理件系列
气缸系列
新闻中心
公司新闻
行业动态
联系我们