| 产品标题:100M-F,电磁阀/气控阀集装板,EASUN亿日气动方向控制阀 产品ID:VIB20121009223309734 品 牌:EASUN亿日 所在地:中国 上海 价 格:面议 (大量采购价格面议) 库存状态:货期待查 更新日期:2025-11-5 2:12:03 咨询电话:(+86)021-51699285 咨询Q Q: 2695337323 |
100M-F,200M-F,300M-F,400M-F,EASUN亿日气动控制阀,气动控制阀,气动温度控制阀,方向控制阀,控制阀,流量控制阀,自力式流量控制阀,压力控制阀,压差控制阀,自力式压差控制阀,水利控制阀
![]() ■ 密封盖板使用场所 当连座数目超过电磁(气控)阀使用数目时,可先用密封盖板将多余阀座暂时密封,在临时增加阀时再将其更换即可,这样可以达到系统扩充的目的。 ■ 集装板型号命名 ![]() ■ 举例 ▲ 欲订购4V(A)2系列电磁阀,用连座数目为10的集装板,其正确的订购码为:200M-10F ■ 密封盖板型号命名 ![]() | |||||||||||||||||||||||||||||||||||||||||||||||||||||||||||||||||||||||||||||||||||||||||||||||||||||||||||||||||||||||||||||||||||||||
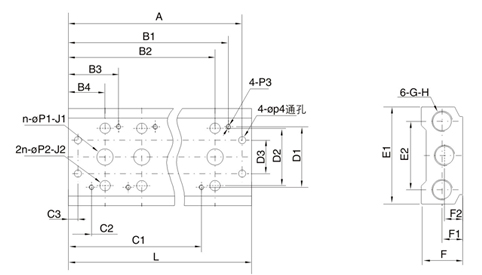
■ 外形与安装尺寸![]()
|
