| 产品标题:3A320-10,3A3系列二位三通气控阀,EASUN亿日气动方向控制阀 产品ID:VIB20121009220818734 品 牌:EASUN亿日 所在地:中国 上海 价 格:面议 (大量采购价格面议) 库存状态:货期待查 更新日期:2025-3-20 4:34:25 咨询电话:(+86)021-51699285 咨询Q Q: 2695337323 |
3A310-08,3A320-08,3A310-10,3A320-10,EASUN亿日气动控制阀,气动控制阀,气动温度控制阀,方向控制阀,控制阀,流量控制阀,自力式流量控制阀,压力控制阀,压差控制阀,自力式压差控制阀,水利控制阀
![]() ■ 技术参数 | |||||||||||||||||||||||||||||||||||||||||||||||||||||||
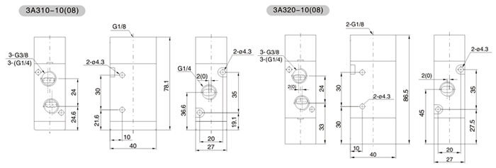
![]() ■ 举例 ▲ 欲订购接管螺纹为G1/4" 的双气控二位三通常闭型3A3系列气控阀,其正确的订购代码为:3A320-08-NC ■ 符号 ![]() ■ 外形与安装尺寸
| |||||||||||||||||||||||||||||||||||||||||||||||||||||||
