产品展示
直流接触器,CZ0-150/10,CZ0系列直流接触器,上海人民,SRK,上海一级总代理
首页 / 产品中心 / 接触器
产品标题:直流接触器,CZ0-150/10,CZ0系列直流接触器,上海人民,SRK,上海一级总代理
产品ID:VIB20110308234626734
品  牌:SRK上海人民开关厂
所在地:中国 上海
价  格:面议 (大量采购价格面议)
库存状态:货期待查
更新日期:2025-4-28 15:49:19
咨询电话:(+86)021-51699285
咨询Q Q: 2695337323
产品简述

CZ0系列直流接触器用于远距离接通与分断额定电压至440V,额定电流至600A的直流线路之用。并适用频繁起动、停止直流电动机及直流电动机的换向或反转之用

CZ0系列直流接触器 CZ0-40/20 CZ0-40/02 CZ0-100/10 CZ0-100/01 CZ0-100/20 CZ0-150/10 CZ0-150/01 CZ0-150/20 CZ0-250/10 CZ0-250E/10 CZ0-250/20 CZ0-250E/20 CZ0-400/10 CZ0-400E/20 CZ0-400/01 CZ0-400/20 CZ0-400E/20 CZ0-600/10 CZ0-600E/10 CZ0-1000/10 CZ0-1000E/10 CZ0-1600/10 CZ0-1600E/10 CZ0-40C、CZ0-40G、CZ0-40GB、CZ0-100C、CZ0-100G、CZ0-100GB控制高电感负载的直流接触器

产品详情

一、适用范围
    CZ0系列直流接触器主要供远距离接通与断开额定电压440V,额定电流至600A的直流电力线路之用。适宜于直流电动机的频繁起动、停止、换向及反接制动。

二、型号及其含义


三、结构特征
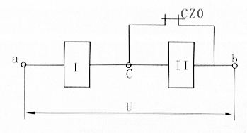
    额定电流150A及以下的结构为上下二层立体式布置,桥式双断点串联吹陶士灭弧罩的主触头系统和额定发热电流为5A二常开二常闭桥式双断点辅助触头都固定在拍合式磁系统背面上;额定电流250A及以上的结构为平面布置,指形单断点串联磁吹陶士灭弧的主触头系统和经硬化处理的楞角转动的拍合式磁系统一前一后固定在底架上,额定发热电流为10A的五对常开常闭可任意组合的桥式双断点辅助触头固定在磁系统背面上;额定电流100~150A常合主触头和额定电流250~600A的接触器吸引线圈都是具有节能效果的串联双绕组结构,请注意按右图示接线:
    接触器具有品种规格齐全、使用寿命长、动作可靠、维修方便等优点。本系列接触器可完全代CZ1、CZ3、CZ5、CJ3等系列老产品。
    CZ0-250~600还可派生采用连杆传动辅助触头的结构形式,其派生代号为“E”,如CZ0-250E/10、CZ0-400E/20等,其外形与安装尺寸跟基本型号一致。

四、主要技术参数
型号
派生
型号
额定
电压(V)
额定
电流(V)
主触
头数
辅助触头数
主触头
额定分
断能力(A)
操作频率(次/h )
机械寿命(万
次)
电寿命(万次)
常开
常闭
常开
常闭
CZ0-40/20
/
440
40(1)
2
2
2
160
1200
500
50
CZ0-40/02
100
2
2
2
100
600
300
30
CZ0-100/10
1
2
2
400
1200
500
50
CZ0-100/01
1
2
1
250
600
300
30
CZ0-100/20
440/660
2
2
2
400
1200
500
50
CZ0-150/10
440
150
1
2
2
600
1200
500
50
CZ0-150/01
1
2
1
375
600
300
30
CZ0-150/20
440/660
2
2
2
600
1200
500
50
CZ0-250/10
CZ0-250E/10
440/660
250
1
5(2)
1000
600
300
30
CZ0-250/20
CZ0-250E/20
2
CZ0-400/10
CZ0-400E/10
400
1
1600
CZ0-400/01
/
1
1000
CZ0-400/20
CZ0-400E/20
2
1600
CZ0-600/10
CZ0-600E/10
600
1
2400
注:(1) 灭弧线图:1.5A、2.5A、5A、10A、20A、40A六种规格供用户选择
(2) 除一常开和一常闭外,其余可任意组合成常开或常闭。

五、外形尺寸及安装尺寸
型号<