产品标题:LZZB1—10,LZZB1—10GY 电流互感器 产品ID:VIB20091214150644734 品 牌:VABO华波互感器 所在地:中国 上海 价 格:面议 (大量采购价格面议) 库存状态:货期待查 更新日期:2025-9-11 22:03:02 咨询电话:(+86)021-51699285 咨询Q Q: 2695337323 |
LZZB1—10,LZZB1—10GY 电流互感器
LZZB1—10,LZZB1—10GY型电流互感器
1.型号及其含义
2. 产品标准
产品性能符合GB1208-1997国家标准、DL/T 725-2000电力行业标准和IEC185标准。
3.结构与规格
本型电流互感器为支柱式结构,采用环氧树脂全封闭浇注成型。耐污秽、耐潮湿性能好。本产品有两个二次绕组,第一个二次绕组的准确限值系数达 5P20,精确度为0.2(或0.5)级, 可以供保护用或保护、测量共用。第二个二次绕组的精确度为0.1级,并同时满足0.2S级要求,可以供计量用或计量、测量共用。
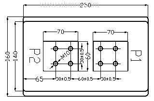
本型电流互感器有多种变比:30/5A(1A)、40/5A(1A)、50/5A(1A)、75/5A(1A)、 100/5A(1A)、150/5A(1A)、200/5A(1A)、300/5A(1A)、400/5A(1A)、 600/5A(1A)、750/5A(1A)、800/5A(1A)、1000/5A(1A)、1200/5A(1A)、 1500/5A(1A)、1600/5A(1A)、2000/5A(1A)多种。本产品外形尺寸见图1和图3,一次绕组接线端子尺寸见图2和图4。
图1 1200A以下的产品外形尺寸图
图2 1200A以下的产品一次绕组接线端子尺寸图
图3 1500A以上的产品外形尺寸图
图4 1500A以上的产品一次绕组接线端子尺寸图
4 产品额定值及技术参数
4.1 额定电压:10kV
4.2 最高工作电压:12kV
4.3 额定频率:50Hz
4.4 额定一次电流: 30A、40A、50A、75A、100A、150A、200A、300A、400A、600A、750A、800A、1000A、1200A、1500A、1600A、2000A。
4.5 额定二次电流:5A或1A。
4.6 额定输出:25VA,负荷功率因数为0.8 ~ 1。
4.7 准确级、准确限值系数(ALF)和 仪表保安系数(FS):
4.7.1 第一个二次绕组(保护、测量用)1S1-1S2
在各种额定输出时的准确限值系数和准确级见表1,负荷的功率因数为COSΦ=0.8~1。
表 1
一次电流 |
1S1-1S2 在下述额定输出时的 准确限值系数( ALF) |
1S1-1S2准确级 | |||
10VA |
15VA |
20VA |
25VA |
10VA-25VA | |
30-800A |
5P20 |
5P15 |
5P10 |
5P10 |
0.5级 |
1000A |
5P25 |
5P20 |
5P15 |
5P15 |
0.2级 |
1200A |
5P25 |
5P20 |
5P20 |
5P15 |
0.2级 |
1500A |
5P25 |
5P20 |
5P20 |
5P15 |
0.2级 |
1600A |
5P30 |
5P20 |
5P20 |
5P15 |
0.2级 |
2000A |
5P30 |
5P25 |
5P20 |
5P20 |
0.2级 |
4.7.2 第二个二次绕组(计量、测量用)2S1-2S2
在各种额定输出下的准确级和仪表保安系数见表2。负荷的功率因数为COSΦ=0.8~1。
表 2
1 |
2S1-2S2在下述 额定输出 下的准确级和 仪表保安系数 | |||
额定输出 VA |
10VA |
15VA |
20VA |
25VA |
准确级 |
0.1 |
0.1 |
0.1 |
0.2S |
仪表保安系数( FS ) |
10 |
10 |
10 |
10 |
4.8 额定短时热电流和额定动稳定电流,见表3。
表 3
额定 变比 |
额定短时热电流( kA) |
额定动稳定电流( kA) |
重量( kg ) |
30-100/5A(1A) |
15 |
37.5 |
≤ 20 |
150/5A(1A) |
22.5 |
56 |
≤ 20 |
200/5A(1A) |
30 |
75 |
≤ 20 |
300-400/5A(1A) |
45 |
112.5 |
≤ 20 |
600-800/5A(1A) |
63 |
120 |
≤ 20 |
1000-1200/5A(1A) |
75 |
130 |
≤ 20 |
1500-2000/5A(1A) |
90 |
140 |
≤ 20 |
4.9 绝缘性能
4.9.1 一次绕组额定绝缘水平
A. 设备最高电压:12kV。
B. 额定工频耐受电压:42kV。
C. 额定雷电冲击耐受电压:75kV。
4.9.2 二次绕组额定绝缘水平
二次绕组之间及对地绝缘的额定短时工频耐受电压为3kV。
4.9.3 绝缘电阻
互感器各绕组之间及对地(或底板)之间的绝缘电阻(用开路电压为2500V的测试仪表测定),不小于100MW。
4.10 局部放电水平
局部放电水平符合国家标准,在1.2Um(14.4kV)电压下,不超过50pC。
4.11 重量:见表3。
5. 安装、使用与维护
5.1 安装
1200/5A(1A) 以下产品的外形尺寸见图1,一次绕组接线端子尺寸见图2。1500/5A(1A) 以上产品的外形尺寸见图3,一次绕组接线端子尺寸见图4。有两种安装方式,第1种为利用产品底部的4个M12的安装孔用螺钉直接安装在开关柜的安装板上,开孔尺寸见图5。第2种为利用产品底部的安装底板上的4个Φ13的安装孔用螺钉和螺母安装,开孔尺寸见图6。安装时不要损坏浇注体表面。
本产品的一次绕组接线端子 P1、P2在上部,表面镀银,以保证接触良好,采用8个M10螺钉与汇流排固定连接,见图2和图4,以保证接触良好。二次绕组接线端子1S1、1S2、 2S1、2S2在产品下部,表面镀镍。产品的接地利用底部的四个安装孔或 产品底部的安装底板。
图5 不带安装底板时的安装开孔尺寸图
图6 带安装底板时的安装开孔尺寸图
5.2 使用
使用前应检查二次绕组的接线极性为1S1、2S1与P1同极性。即当一次电流从P1流入互感器由P2流出时,二次电流从1S1、2S1流出经过二次负荷后由1S2、2S2流回互感器。运行中当一次绕组有电流时,二次绕组不得开路,否则在二次绕组端子间可能产生危险的高电压